44330000-2 Будівельні прути, стрижні, дроти та профілі
Назва категорії: Швелер, одиниця виміру тоннаВідноситься до відбору: Будівельні прути, стрижні, дроти та профілі
Опис категорії: Швелер, одиниця виміру тонна
Одиниці виміру: тонна
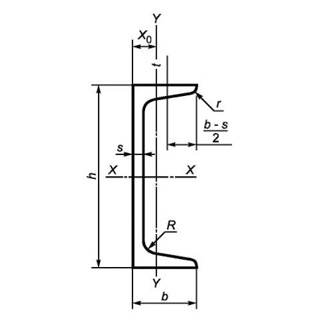
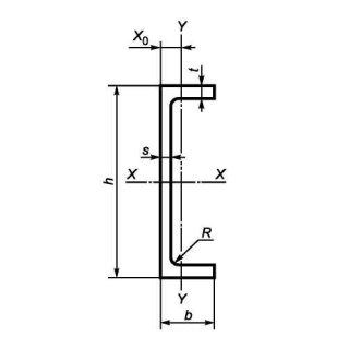
Технічні характеристики
Категорія нормованих показників
Група якості оброблення поверхні
Покриття
Відповідність вимогам стандарту
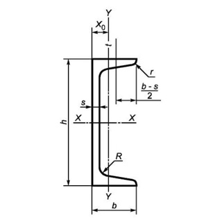
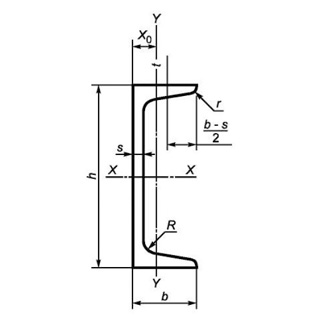
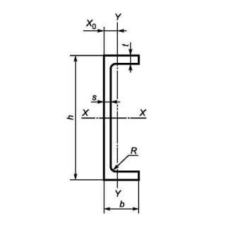
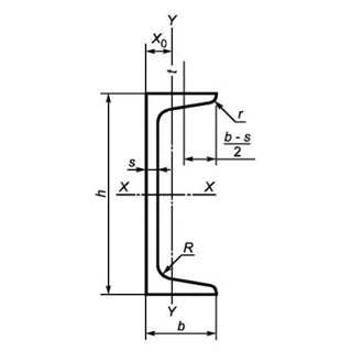
Вид
Марка сталі
Довжина
Група/клас міцності
Знайдено: 1666

Швелер UPN 380 S355, міра 6м

Швелер UPN 280 S275JR, міра 6м

Швелер 10П сталь 3ПС/СП, міра 6м

Швелер UPN 100 S235JR, міра 12м

Швелер гнутий 40х20х2 3ПС/СП, міра 6м

Швелер UPE 240 S235J2+N, міра 12м

Швелер UPN 65 S235J2+N, міра 12м

Швелер UPN 100 S275J2+N, міра 12м

Швелер UPN 180 S355, міра 6м

Швелер UPE 180 S355, міра 6м

Швелер UPE 120 S235J2+N, міра 12м
