44330000-2 Будівельні прути, стрижні, дроти та профілі
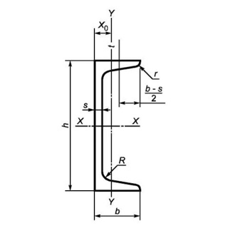
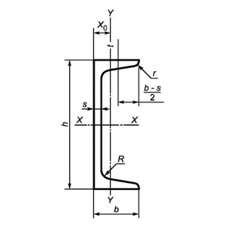
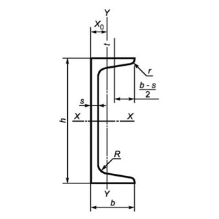
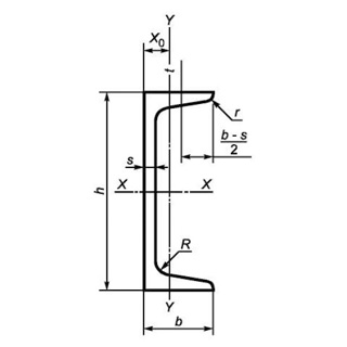
Назва категорії: Швелер, одиниця виміру тоннаВідноситься до відбору: Будівельні прути, стрижні, дроти та профілі
Опис категорії: Швелер, одиниця виміру тонна
Одиниці виміру: тонна
Технічні характеристики
Категорія нормованих показників
Група якості оброблення поверхні
Покриття
Відповідність вимогам стандарту
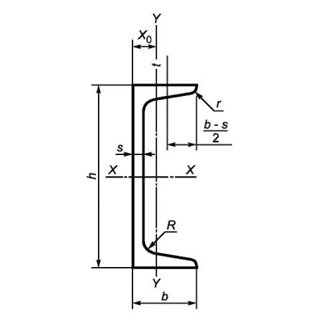
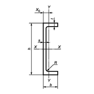
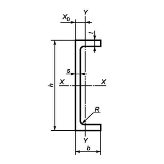
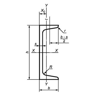
Вид
Марка сталі
Довжина
Група/клас міцності
Знайдено: 1666

Швелер гнутий 100х60х4 08КП/ПС, міра 6м

Швелер UPE 240 S235J2+AR, міра 12м

Швелер UPE 100 S275J2+N, міра 6м

Швелер UPN 160 S355, міра 12м

Швелер UPN 280 S275J2, міра 6м

Швелер UPN 120 S355J2+AR, міра 12м

Швелер UPN 280 S275J2, міра 12м

Швелер 18У 3ПС/СП, міра 12м

Швелер UPN 65 S275JR, міра 6м

Швелер 24П 09Г2С, міра 12м

Швелер 18П 09Г2С, міра 12м
