44330000-2 Будівельні прути, стрижні, дроти та профілі
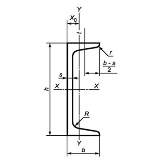
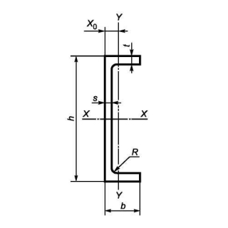
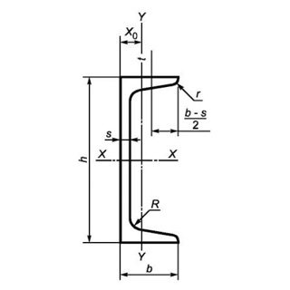
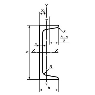
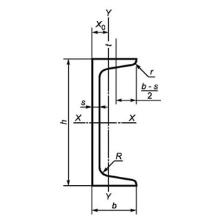
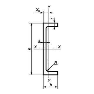
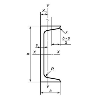
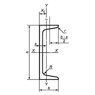
Назва категорії: Швелер, одиниця виміру тоннаВідноситься до відбору: Будівельні прути, стрижні, дроти та профілі
Опис категорії: Швелер, одиниця виміру тонна
Одиниці виміру: тонна
Технічні характеристики
Категорія нормованих показників
Група якості оброблення поверхні
Покриття
Відповідність вимогам стандарту
Вид
Марка сталі
Довжина
Група/клас міцності
Знайдено: 1666

Швелер UPN 200 S275J0, міра 12м

Швелер UPE 360 S355J2+AR, міра 6м

Швелер UPN 320 S235, міра 12м

Швелер UPN 320 S235J0, міра 6м

Швелер UPN 240 S275J0, міра 6м

Швелер UPE 160 S275, міра 12м

Швелер UPN 180 S235J2+M, міра 12м

Швелер UPE 160 S275JR, міра 12м

Швелер UPN 300 S355J0, міра 6м

Швелер 18У 3ПС/СП, міра 12м

Швелер 20П сталь S275, міра 12м
