44330000-2 Будівельні прути, стрижні, дроти та профілі
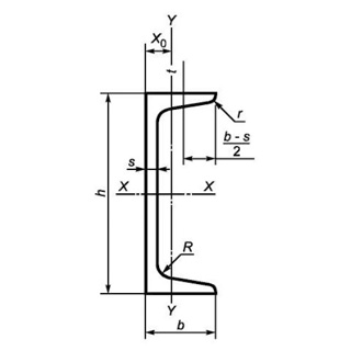
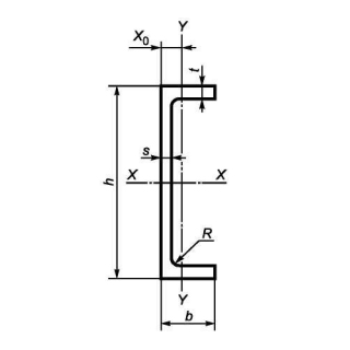
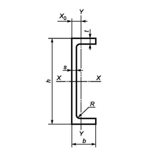
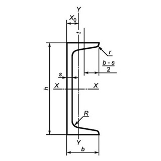
Назва категорії: Швелер, одиниця виміру тоннаВідноситься до відбору: Будівельні прути, стрижні, дроти та профілі
Опис категорії: Швелер, одиниця виміру тонна
Одиниці виміру: тонна
Технічні характеристики
Категорія нормованих показників
Група якості оброблення поверхні
Покриття
Відповідність вимогам стандарту
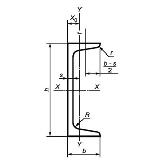
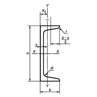
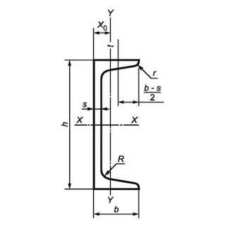
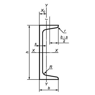
Вид
Марка сталі
Довжина
Група/клас міцності
Знайдено: 1666

Швелер UPE 220 S275J2+AR, міра 6м

Швелер UPN 140 S355, міра 6м

Швелер 8У сталь 345 09Г2С 14 міра 12м

Швелер UPN 220 S235J0, міра 6м

Швелер UPN 300 S235J2+AR, міра 6м

Швелер UPN 50 S275J2+M, міра 6м

Швелер UPN 50 S355J2+N, міра 6м

Швелер UPE 330 S235J2+AR, міра 6м

Швелер UPE 270 S355, міра 12м

Швелер UPN 200 S275J2+AR, міра 12м

Швелер 10У 3ПС/СП, міра 6м
