44330000-2 Будівельні прути, стрижні, дроти та профілі
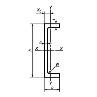
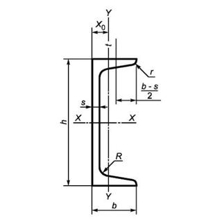
Назва категорії: Швелер, одиниця виміру тоннаВідноситься до відбору: Будівельні прути, стрижні, дроти та профілі
Опис категорії: Швелер, одиниця виміру тонна
Одиниці виміру: тонна
Технічні характеристики
Категорія нормованих показників
Група якості оброблення поверхні
Покриття
Відповідність вимогам стандарту
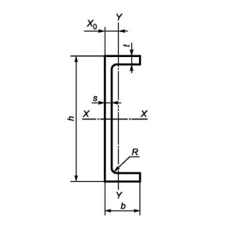
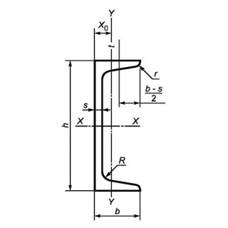
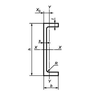
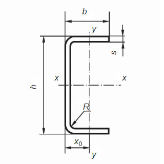
Вид
Марка сталі
Довжина
Група/клас міцності
Знайдено: 1666

Швелер UPE 200 S275, міра 12м

Швелер UPN 80 S275J2, міра 6м

Швелер UPN 260 S275J2+AR, міра 12м

Швелер UPN 65 S235, міра 6м

Швелер UPE 220 S355J2+AR, міра 12м

Швелер UPN 400 S235J2+AR, міра 6м

Швелер UPE 80 S355J2+M, міра 12м

Швелер гнутий 200х80х6 08КП/ПС, міра 6м

Швелер UPE 120 S355J2+AR, міра 12м

Швелер UPN 140 S355J0, міра 12м

Швелер UPE 360 S355J2, міра 6м
