44330000-2 Будівельні прути, стрижні, дроти та профілі
Назва категорії: Швелер, одиниця виміру тоннаВідноситься до відбору: Будівельні прути, стрижні, дроти та профілі
Опис категорії: Швелер, одиниця виміру тонна
Одиниці виміру: тонна
Технічні характеристики
Категорія нормованих показників
Група якості оброблення поверхні
Покриття
Відповідність вимогам стандарту
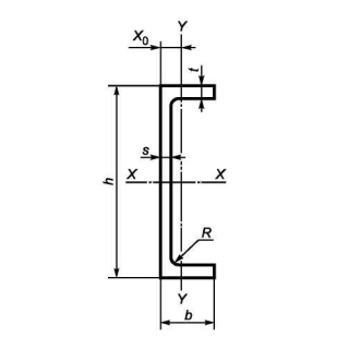
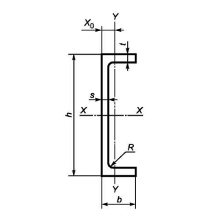
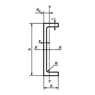
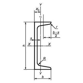
Вид
Марка сталі
Довжина
Група/клас міцності
Знайдено: 1666

Швелер UPE 270 S275J2+N, міра 6м

Швелер UPE 100 S235J2, міра 6м

Швелер UPE 80 S275J2+AR, міра 12м

Швелер UPN 320 S275J2+M, міра 6м

Швелер UPE 400 S235J0, міра 6м

Швелер UPN 50 S355JR, міра 6м

Швелер UPE 180 S275J2+N, міра 6м

Швелер UPE 240 S355J2+M, міра 6м

Швелер UPN 300 S235J2+M, міра 6м

Швелер гнутий 80х60х3 08КП/ПС, міра 6м

Швелер UPN 320 S355J2, міра 12м
