44330000-2 Будівельні прути, стрижні, дроти та профілі
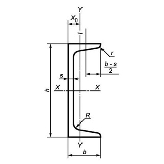
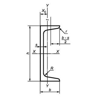
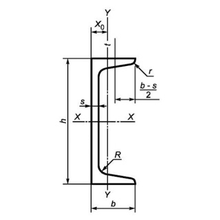
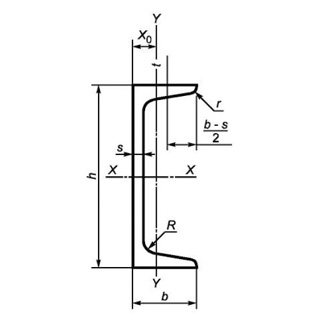
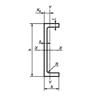
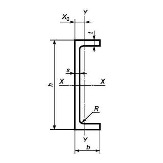
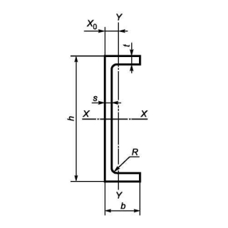
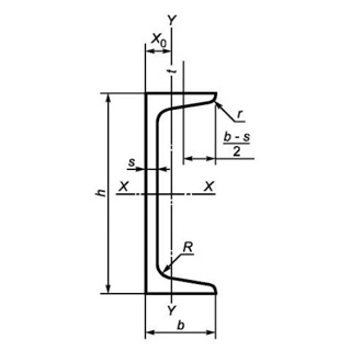
Назва категорії: Швелер, одиниця виміру тоннаВідноситься до відбору: Будівельні прути, стрижні, дроти та профілі
Опис категорії: Швелер, одиниця виміру тонна
Одиниці виміру: тонна
Технічні характеристики
Категорія нормованих показників
Група якості оброблення поверхні
Покриття
Відповідність вимогам стандарту
Вид
Марка сталі
Довжина
Група/клас міцності
Знайдено: 1666

Швелер UPN 80 S235J2+M, міра 6м

Швелер UPN 140 S275J2+N, міра 6м

Швелер UPN 140 S235J2, міра 12м

Швелер UPN 200 S235J2+M, міра 6м

Швелер UPE 400 S275J2+N, міра 6м

Швелер UPE 360 S235J0, міра 6м

Швелер UPE 200 S235J2+M, міра 6м

Швелер 14П 09Г2С, міра 12м

Швелер 30У сталь 345 09Г2С 14 міра 12м

Швелер гнутий 120х50х6 09Г2С, міра 6м

Швелер UPE 400 S235J0, міра 12м
