44330000-2 Будівельні прути, стрижні, дроти та профілі
Назва категорії: Швелер, одиниця виміру тоннаВідноситься до відбору: Будівельні прути, стрижні, дроти та профілі
Опис категорії: Швелер, одиниця виміру тонна
Одиниці виміру: тонна
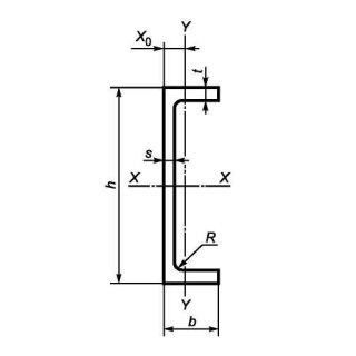
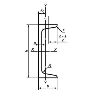
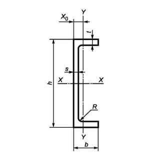
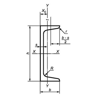
Технічні характеристики
Категорія нормованих показників
Група якості оброблення поверхні
Покриття
Відповідність вимогам стандарту
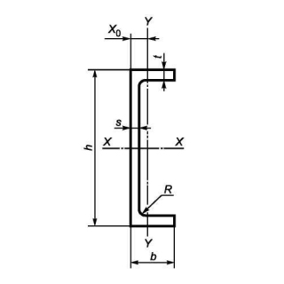
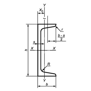
Вид
Марка сталі
Довжина
Група/клас міцності
Знайдено: 1666

Швелер UPE 360 S235J2+N, міра 6м

Швелер UPN 240 S235J2+N, міра 6м

Швелер UPN 280 S235J0, міра 12м

Швелер UPN 350 S355J2+N, міра 6м

Швелер UPE 360 S355J0, міра 12м

Швелер UPE 120 S275J2, міра 6м

Швелер 18У 09Г2С, міра 12м

Швелер UPN 80 S355J0, міра 6м

Швелер UPE 200 S355J2+M, міра 12м

Швелер UPN 100 S235J0, міра 6м

Швелер UPE 220 S235JR, міра 12м
