44330000-2 Будівельні прути, стрижні, дроти та профілі
Назва категорії: Швелер, одиниця виміру тоннаВідноситься до відбору: Будівельні прути, стрижні, дроти та профілі
Опис категорії: Швелер, одиниця виміру тонна
Одиниці виміру: тонна
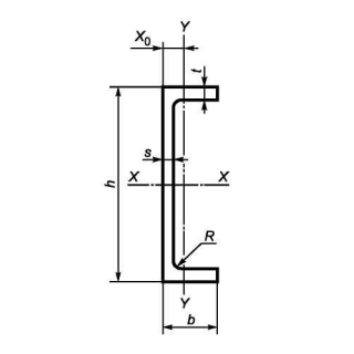
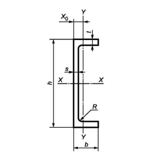
Технічні характеристики
Категорія нормованих показників
Група якості оброблення поверхні
Покриття
Відповідність вимогам стандарту
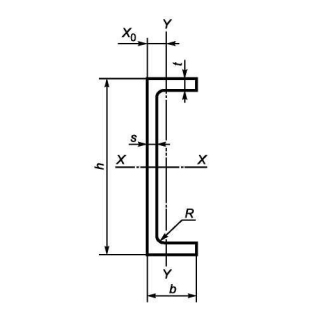
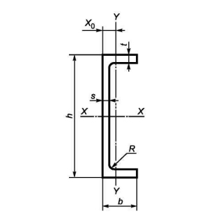
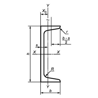
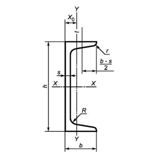
Вид
Марка сталі
Довжина
Група/клас міцності
Знайдено: 1666

Швелер UPE 100 S355J2+M, міра 6м

Швелер UPE 140 S355J2+N, міра 12м

Швелер UPN 120 S355, міра 6м

Швелер 6.5У 3ПС/СП, міра 12м

Швелер UPN 400 S235J2+N, міра 12м

Швелер UPN 140 S355J2+AR, міра 6м

Швелер гнутий 160х100х6 3ПС/СП, міра 6м

Швелер UPE 80 S355JR, міра 12м

Швелер UPE 240 S275J0, міра 12м

Швелер UPE 140 S235J2+M, міра 12м

Швелер UPE 180 S275J0, міра 12м
