44330000-2 Будівельні прути, стрижні, дроти та профілі
Назва категорії: Швелер, одиниця виміру тоннаВідноситься до відбору: Будівельні прути, стрижні, дроти та профілі
Опис категорії: Швелер, одиниця виміру тонна
Одиниці виміру: тонна
Технічні характеристики
Категорія нормованих показників
Група якості оброблення поверхні
Покриття
Відповідність вимогам стандарту
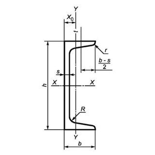
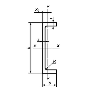
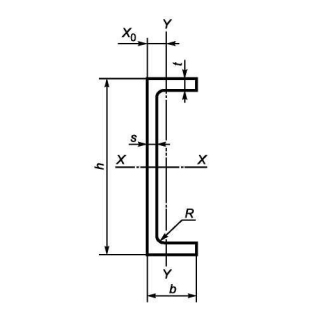
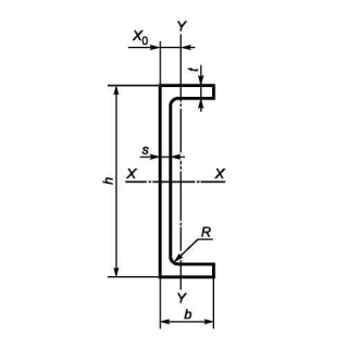
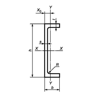
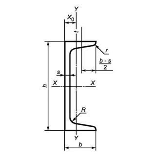
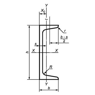
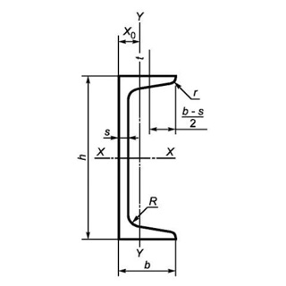
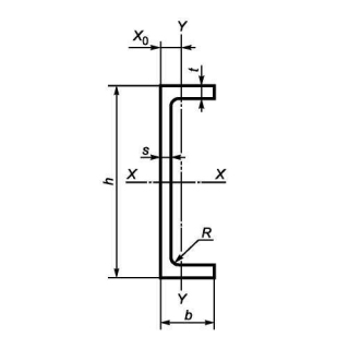
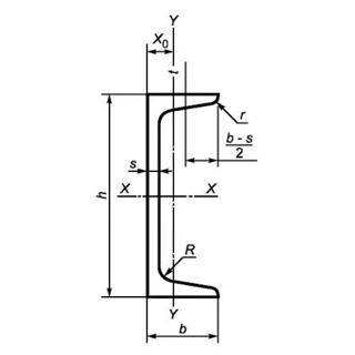
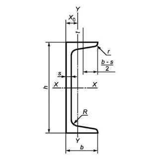
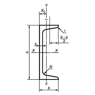
Вид
Марка сталі
Довжина
Група/клас міцності
Знайдено: 1666

Швелер UPN 350 S235J2+AR, міра 6м

Швелер UPE 240 S275J2+AR, міра 6м

Швелер UPE 400 S355J2, міра 6м

Швелер 22П 09Г2С, міра 12м

Швелер UPE 100 S235JR, міра 6м

Швелер UPN 240 S355J0, міра 12м

Швелер UPN 180 S355J2, міра 6м

Швелер UPN 220 S235J0, міра 12м

Швелер UPE 270 S355J2, міра 6м

Швелер UPN 100 S275JR, міра 6м

Швелер UPN 320 S235J2, міра 6м
