44330000-2 Будівельні прути, стрижні, дроти та профілі
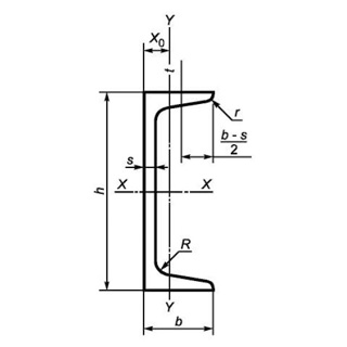
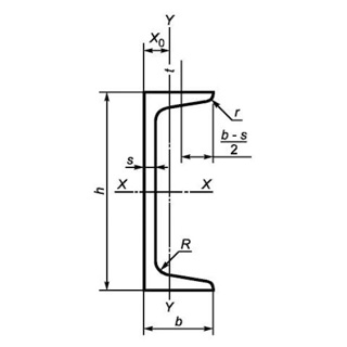
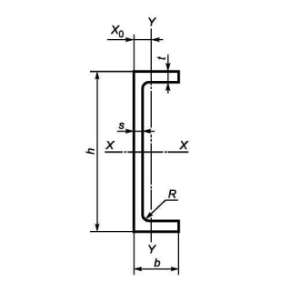
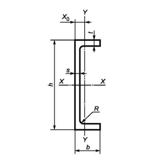
Назва категорії: Швелер, одиниця виміру тоннаВідноситься до відбору: Будівельні прути, стрижні, дроти та профілі
Опис категорії: Швелер, одиниця виміру тонна
Одиниці виміру: тонна
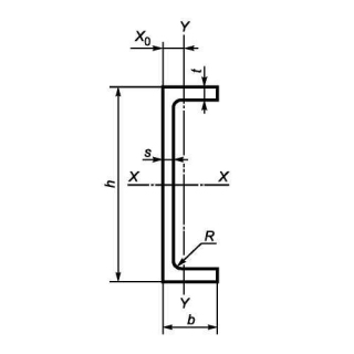
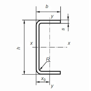
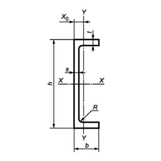
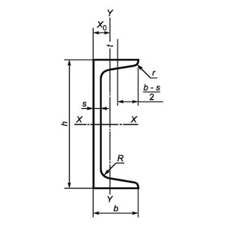
Технічні характеристики
Категорія нормованих показників
Група якості оброблення поверхні
Покриття
Відповідність вимогам стандарту
Вид
Марка сталі
Довжина
Група/клас міцності
Знайдено: 1666

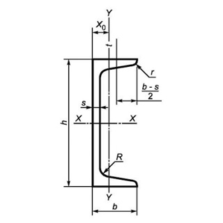
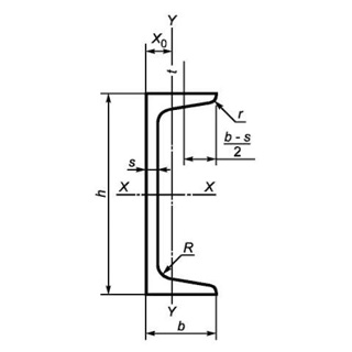
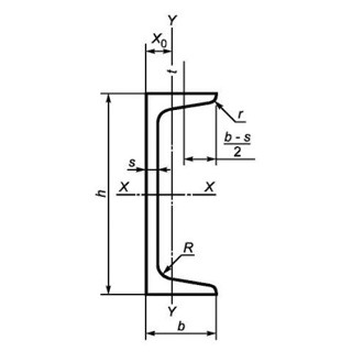
Швелер UPE 180 S235J2+AR, міра 12м

Швелер гнутий 160х60х5 3ПС/СП, міра 6м

Швелер UPN 120 S355J2+N, міра 12м

Швелер 16П сталь 3ПС/СП, міра 6м

Швелер UPN 300 S275J2+N, міра 6м

Швелер UPN 260 S275J0, міра 12м

Швелер UPN 200 S355j2, міра 12м

Швелер UPE 200 S275J2+M, міра 12м

Швелер UPE 80 S235, міра 12м

Швелер UPN 280 S275, міра 12м

Швелер UPN 140 S355J2, міра 12м
