44330000-2 Будівельні прути, стрижні, дроти та профілі
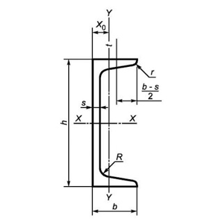
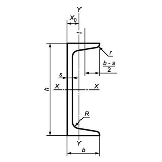
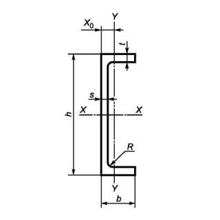
Назва категорії: Швелер, одиниця виміру тоннаВідноситься до відбору: Будівельні прути, стрижні, дроти та профілі
Опис категорії: Швелер, одиниця виміру тонна
Одиниці виміру: тонна
Технічні характеристики
Категорія нормованих показників
Група якості оброблення поверхні
Покриття
Відповідність вимогам стандарту
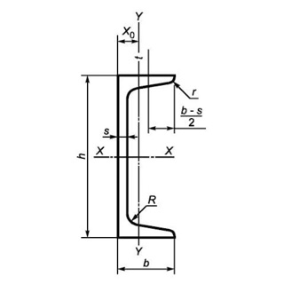
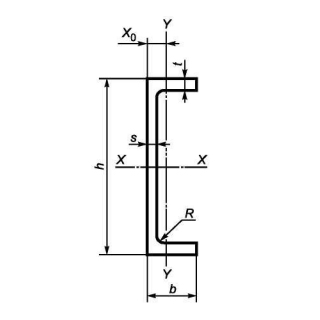
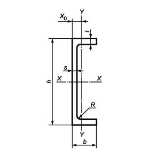
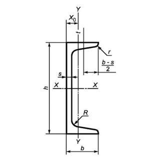
Вид
Марка сталі
Довжина
Група/клас міцності
Знайдено: 1666

Швелер гнутий 60х40х2 3ПС/СП, міра 6м

Швелер UPN 50 S235J0, міра 12м

Швелер UPN 240 S275J2+N, міра 6м

Швелер UPE 180 S355J0, міра 6м

Швелер UPE 400 S235J2+N, міра 12м

Швелер UPN 220 S355J2+N, міра 6м

Швелер UPE 300 S275, міра 12м

Швелер UPE 220 S355J2, міра 12м

Швелер UPN 220 S355, міра 12м

Швелер UPN 100 S355J0, міра 6м

Швелер UPN 280 S275J2+AR, міра 12м
