44330000-2 Будівельні прути, стрижні, дроти та профілі
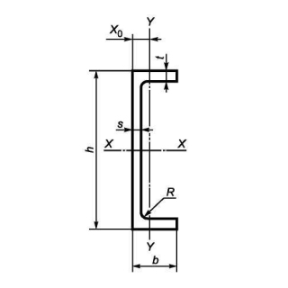
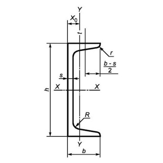
Назва категорії: Швелер, одиниця виміру тоннаВідноситься до відбору: Будівельні прути, стрижні, дроти та профілі
Опис категорії: Швелер, одиниця виміру тонна
Одиниці виміру: тонна
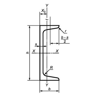
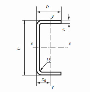
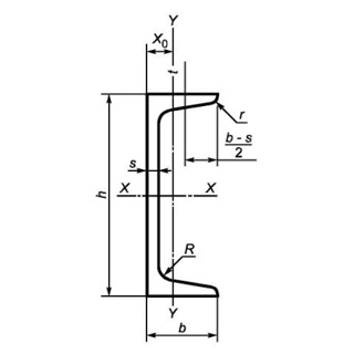
Технічні характеристики
Категорія нормованих показників
Група якості оброблення поверхні
Покриття
Відповідність вимогам стандарту
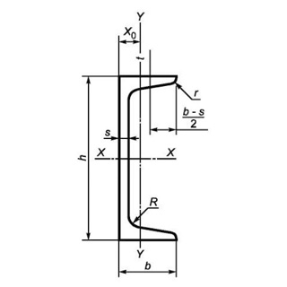
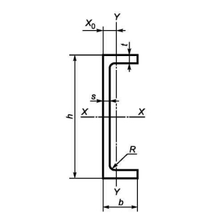
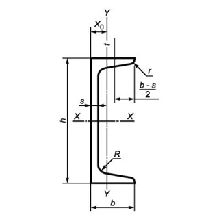
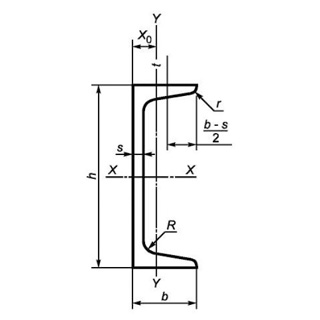
Вид
Марка сталі
Довжина
Група/клас міцності
Знайдено: 1666

Швелер UPN 260 S235J2+M, міра 6м

Швелер UPE 360 S355, міра 6м

Швелер UPN 200 S275J0, міра 6м

Швелер 27П 09Г2С, міра 12м

Швелер 14У 09Г2С, міра 12м

Швелер UPE 360 S275J0, міра 6м

Швелер UPN 80 S275J2+AR, міра 6м

Швелер UPE 140 S275J2+M, міра 12м

Швелер UPN 100 S235J2+M, міра 6м

Швелер UPN 65 S355j2, міра 6м

Швелер гнутий 120х50х6 3ПС/СП, міра 6м
