44330000-2 Будівельні прути, стрижні, дроти та профілі
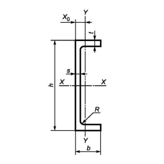
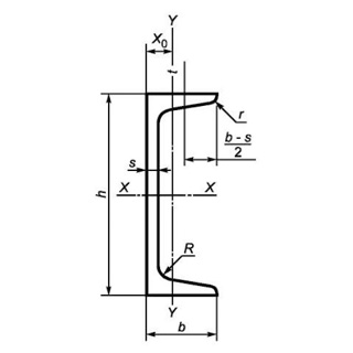
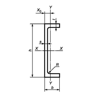
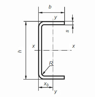
Назва категорії: Швелер, одиниця виміру тоннаВідноситься до відбору: Будівельні прути, стрижні, дроти та профілі
Опис категорії: Швелер, одиниця виміру тонна
Одиниці виміру: тонна
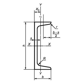
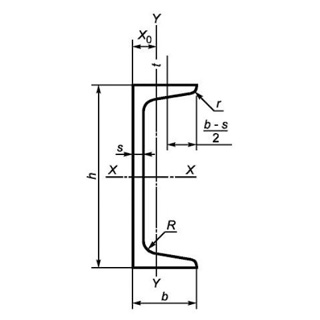
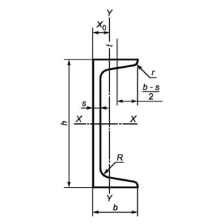
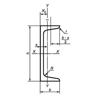
Технічні характеристики
Категорія нормованих показників
Група якості оброблення поверхні
Покриття
Відповідність вимогам стандарту
Вид
Марка сталі
Довжина
Група/клас міцності
Знайдено: 1666

Швелер UPN 100 S275J2+AR, міра 12м

Швелер UPN 320 S275J0, міра 6м

Швелер UPN 200 S275J2+M, міра 12м

Швелер UPN 100 S275J2+M, міра 6м

Швелер UPE 330 S275J0, міра 6м

Швелер 12У сталь 345 09Г2С 14 міра 12м

Швелер 14П сталь 345 09Г2С 14 міра 12м

Швелер гнутий 100х50х3 3ПС/СП, міра 6м

Швелер UPE 220 S355j2, міра 12м

Швелер UPN 320 S235J2+AR, міра 6м

Швелер гнутий 180х80х6 08КП/ПС, міра 6м
