44330000-2 Будівельні прути, стрижні, дроти та профілі
Назва категорії: Швелер, одиниця виміру тоннаВідноситься до відбору: Будівельні прути, стрижні, дроти та профілі
Опис категорії: Швелер, одиниця виміру тонна
Одиниці виміру: тонна
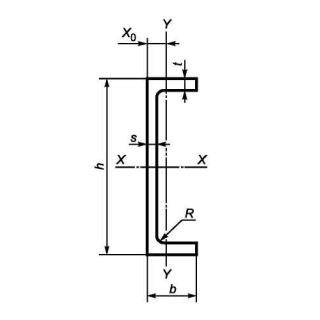
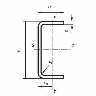
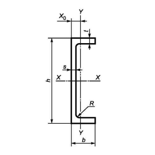
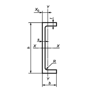
Технічні характеристики
Категорія нормованих показників
Група якості оброблення поверхні
Покриття
Відповідність вимогам стандарту
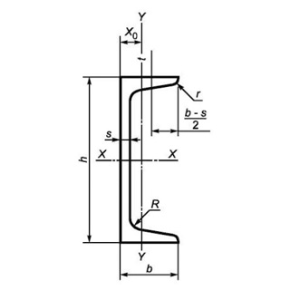
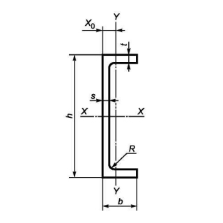
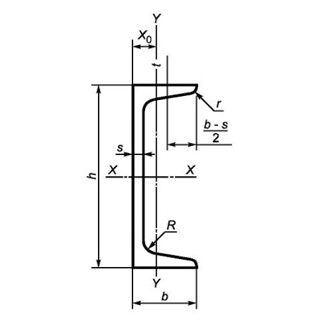
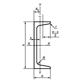
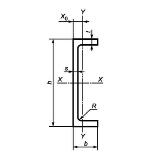
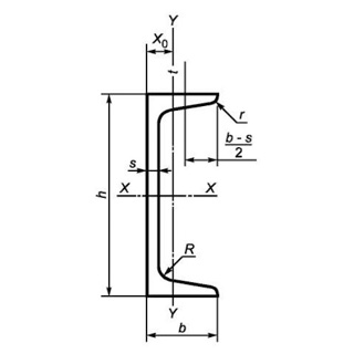
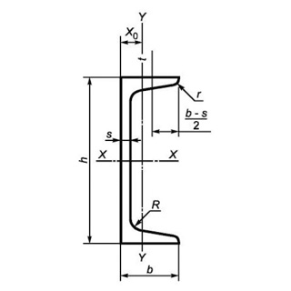
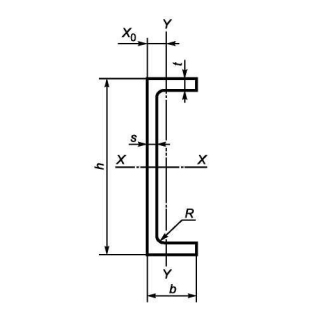
Вид
Марка сталі
Довжина
Група/клас міцності
Знайдено: 1666

Швелер 8У 3ПС/СП, міра 12м

Швелер UPE 300 S235J2, міра 6м

Швелер UPN 200 S355J2+M, міра 6м

Швелер UPN 380 S275, міра 6м

Швелер 36П сталь 3ПС/СП, міра 6м

Швелер гнутий 120х50х6 08КП/ПС, міра 6м

Швелер 33П сталь 345 09Г2С 14 міра 12м

Швелер UPE 120 S275J2+N, міра 6м

Швелер UPE 140 S355J2+M, міра 12м

Швелер UPN 200 S235J0, міра 12м

Швелер UPN 300 S235J2, міра 12м
