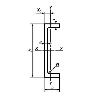
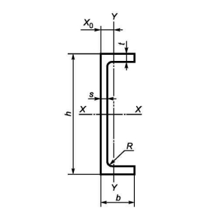
44330000-2 Будівельні прути, стрижні, дроти та профілі
Назва категорії: Швелер, одиниця виміру тоннаВідноситься до відбору: Будівельні прути, стрижні, дроти та профілі
Опис категорії: Швелер, одиниця виміру тонна
Одиниці виміру: тонна
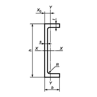
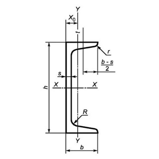
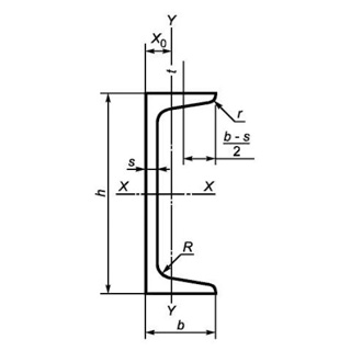
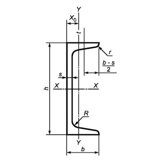
Технічні характеристики
Категорія нормованих показників
Група якості оброблення поверхні
Покриття
Відповідність вимогам стандарту
Вид
Марка сталі
Довжина
Група/клас міцності
Знайдено: 1666

Швелер UPN 140 S235JR, міра 12м

Швелер UPN 65 S235J2, міра 12м

Швелер UPN 280 S355j2, міра 6м

Швелер гнутий 140х60х5 3ПС/СП, міра 6м

Швелер UPE 140 S275, міра 6м

Швелер UPE 180 S355J2+AR, міра 6м

Швелер UPN 320 S355JR, міра 6м

Швелер UPN 280 S355J2+M, міра 6м

Швелер UPE 300 S235J0, міра 12м

Швелер UPN 400 S275J0, міра 12м

Швелер 5П сталь 3ПС/СП, міра 12м
