44330000-2 Будівельні прути, стрижні, дроти та профілі
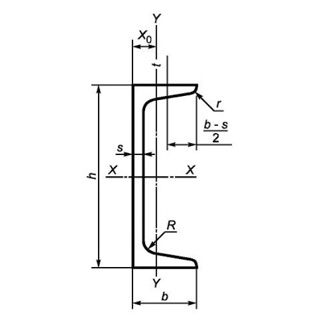
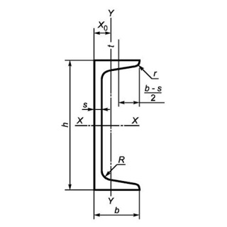
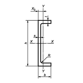
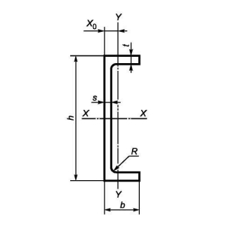
Назва категорії: Швелер, одиниця виміру тоннаВідноситься до відбору: Будівельні прути, стрижні, дроти та профілі
Опис категорії: Швелер, одиниця виміру тонна
Одиниці виміру: тонна
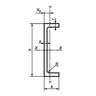
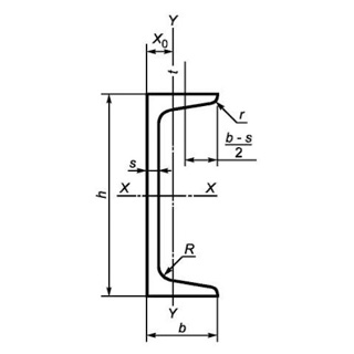
Технічні характеристики
Категорія нормованих показників
Група якості оброблення поверхні
Покриття
Відповідність вимогам стандарту
Вид
Марка сталі
Довжина
Група/клас міцності
Знайдено: 1666

Швелер UPN 380 S235J2+AR, міра 6м

Швелер UPN 320 S355, міра 12м

Швелер UPN 300 S355j2, міра 6м

Швелер UPE 330 S235J2+AR, міра 12м

Швелер UPE 180 S275J2+M, міра 12м

Швелер UPN 400 S235J0, міра 6м

Швелер UPE 200 S275J2+M, міра 6м

Швелер 36П 3ПС/СП, міра 12м

Швелер UPN 180 S355J2, міра 12м

Швелер UPE 120 S275, міра 6м

Швелер UPN 120 S355J0, міра 12м
