44330000-2 Будівельні прути, стрижні, дроти та профілі
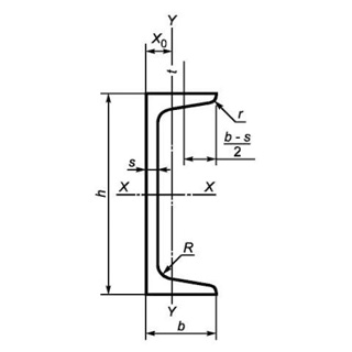
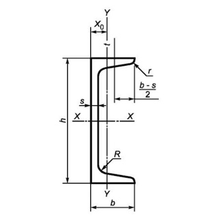
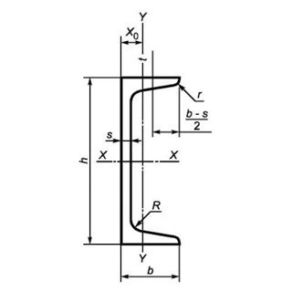
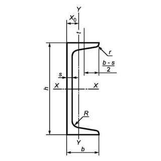
Назва категорії: Швелер, одиниця виміру тоннаВідноситься до відбору: Будівельні прути, стрижні, дроти та профілі
Опис категорії: Швелер, одиниця виміру тонна
Одиниці виміру: тонна
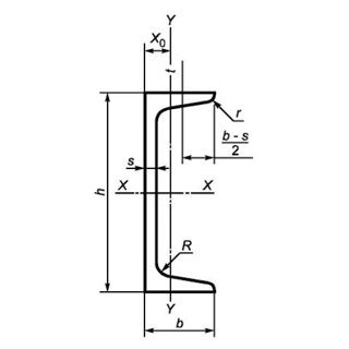
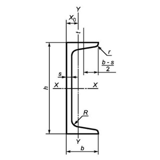
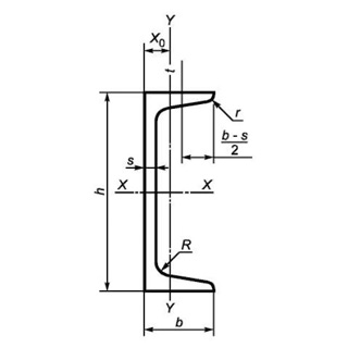
Технічні характеристики
Категорія нормованих показників
Група якості оброблення поверхні
Покриття
Відповідність вимогам стандарту
Вид
Марка сталі
Довжина
Група/клас міцності
Знайдено: 1666

Швелер UPN 80 S355J2+AR, міра 12м

Швелер UPN 200 S235J2+N, міра 6м

Швелер UPN 400 S355J2, міра 6м

Швелер 40У сталь 345 09Г2С 14 міра 12м

Швелер UPN 380 S235, міра 12м

Швелер UPN 50 S235J2, міра 6м

Швелер UPN 140 S355JR, міра 12м

Швелер UPE 80 S275J2+N, міра 12м

Швелер UPE 360 S355J2+N, міра 6м

Швелер UPN 140 S355J2+N, міра 6м

Швелер UPN 350 S355J2+M, міра 12м
