44330000-2 Будівельні прути, стрижні, дроти та профілі
Назва категорії: Швелер, одиниця виміру тоннаВідноситься до відбору: Будівельні прути, стрижні, дроти та профілі
Опис категорії: Швелер, одиниця виміру тонна
Одиниці виміру: тонна
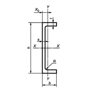
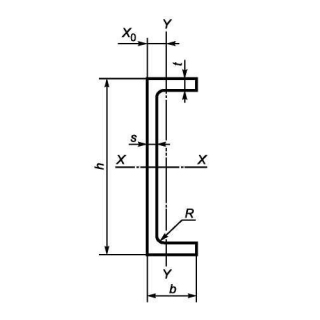
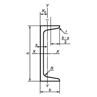
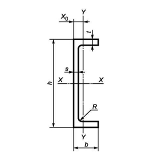
Технічні характеристики
Категорія нормованих показників
Група якості оброблення поверхні
Покриття
Відповідність вимогам стандарту
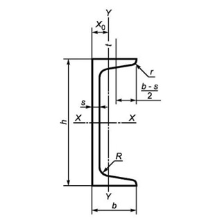
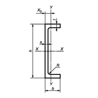
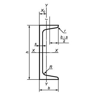
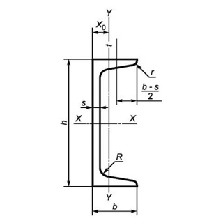
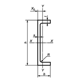
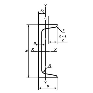
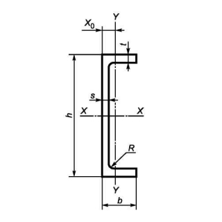
Вид
Марка сталі
Довжина
Група/клас міцності
Знайдено: 1666

Швелер UPN 80 S235J0, міра 12м

Швелер UPE 120 S275J2+AR, міра 12м

Швелер 24У сталь 345 09Г2С 14 міра 12м

Швелер UPN 180 S235J2+AR, міра 12м

Швелер UPE 400 S275J2+M, міра 12м

Швелер UPE 330 S235J2, міра 6м

Швелер UPN 180 S275, міра 12м

Швелер 8П сталь 3ПС/СП, міра 6м

Швелер UPE 100 S235J0, міра 6м

Швелер UPN 280 S355J2, міра 12м

Швелер UPN 380 S355j2, міра 12м
