44330000-2 Будівельні прути, стрижні, дроти та профілі
Назва категорії: Швелер, одиниця виміру тоннаВідноситься до відбору: Будівельні прути, стрижні, дроти та профілі
Опис категорії: Швелер, одиниця виміру тонна
Одиниці виміру: тонна
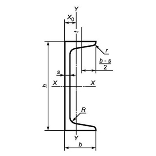
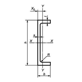
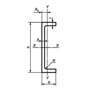
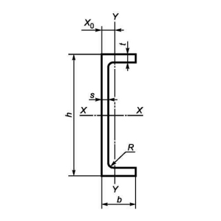
Технічні характеристики
Категорія нормованих показників
Група якості оброблення поверхні
Покриття
Відповідність вимогам стандарту
Вид
Марка сталі
Довжина
Група/клас міцності
Знайдено: 1666

Швелер UPN 350 S355JR, міра 6м

Швелер UPE 100 S235J2+N, міра 12м

Швелер 12У 09Г2С, міра 12м

Швелер UPE 300 S275J2, міра 6м

Швелер UPE 270 S235JR, міра 12м

Швелер UPE 270 S355JR, міра 12м

Швелер UPE 220 S275J0, міра 12м

Швелер UPE 330 S235J2+M, міра 6м

Швелер UPN 80 S275J2+N, міра 12м

Швелер UPE 200 S275J2+N, міра 6м

Швелер UPN 280 S355J2, міра 6м
