44330000-2 Будівельні прути, стрижні, дроти та профілі
Назва категорії: Швелер, одиниця виміру тоннаВідноситься до відбору: Будівельні прути, стрижні, дроти та профілі
Опис категорії: Швелер, одиниця виміру тонна
Одиниці виміру: тонна
Технічні характеристики
Категорія нормованих показників
Група якості оброблення поверхні
Покриття
Відповідність вимогам стандарту
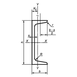
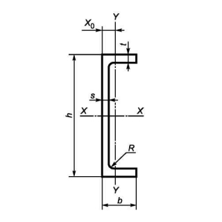
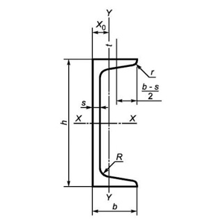
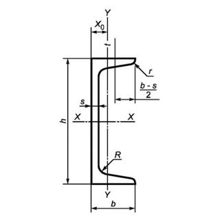
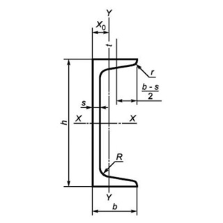
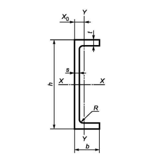
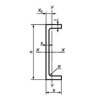
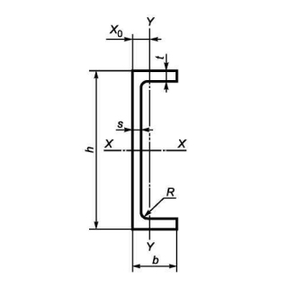
Вид
Марка сталі
Довжина
Група/клас міцності
Знайдено: 1666

Швелер UPN 220 S235JR, міра 12м

Швелер UPE 220 S355J0, міра 12м

Швелер 20У 3ПС/СП, міра 12м

Швелер UPN 50 S235JR, міра 12м

Швелер 22У 3ПС/СП, міра 6м

Швелер UPE 80 S355j2, міра 12м

Швелер UPE 240 S355J2, міра 6м

Швелер UPE 140 S275J2, міра 6м

Швелер гнутий 40х20х2 08КП/ПС, міра 6м

Швелер UPE 300 S355JR, міра 12м

Швелер UPN 380 S355J2, міра 12м
