44330000-2 Будівельні прути, стрижні, дроти та профілі
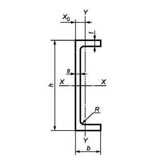
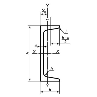
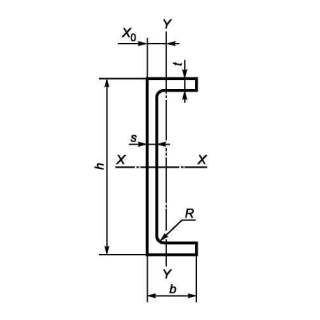
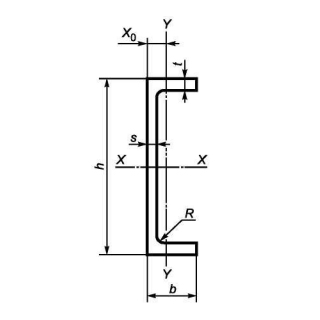
Назва категорії: Швелер, одиниця виміру тоннаВідноситься до відбору: Будівельні прути, стрижні, дроти та профілі
Опис категорії: Швелер, одиниця виміру тонна
Одиниці виміру: тонна
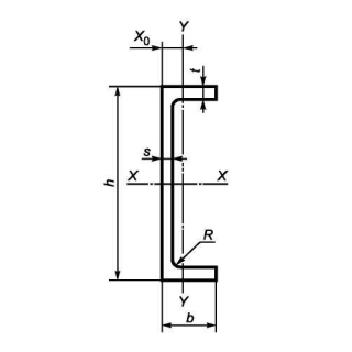
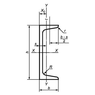
Технічні характеристики
Категорія нормованих показників
Група якості оброблення поверхні
Покриття
Відповідність вимогам стандарту
Вид
Марка сталі
Довжина
Група/клас міцності
Знайдено: 1666

Швелер UPE 220 S275J2+M, міра 6м

Швелер UPN 50 S355J2+M, міра 12м

Швелер UPE 220 S235J0, міра 6м

Швелер UPE 160 S355JR, міра 12м

Швелер UPE 160 S235J2+AR, міра 6м

Швелер UPN 240 S235J0, міра 12м

Швелер UPE 270 S235JR, міра 6м

Швелер UPN 260 S355J2+M, міра 6м

Швелер UPN 300 S235J0, міра 12м

Швелер UPE 180 S235JR, міра 6м

Швелер UPE 360 S275J2+AR, міра 6м
