44330000-2 Будівельні прути, стрижні, дроти та профілі
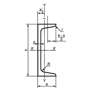
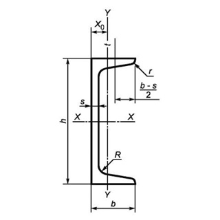
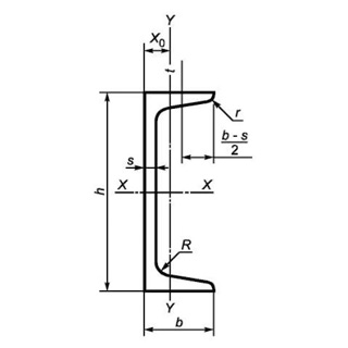
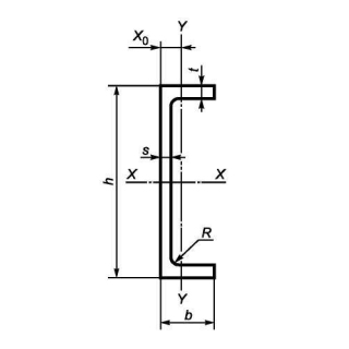
Назва категорії: Швелер, одиниця виміру тоннаВідноситься до відбору: Будівельні прути, стрижні, дроти та профілі
Опис категорії: Швелер, одиниця виміру тонна
Одиниці виміру: тонна
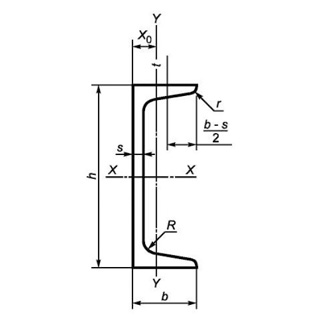
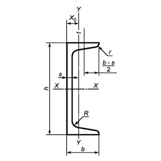
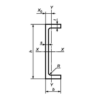
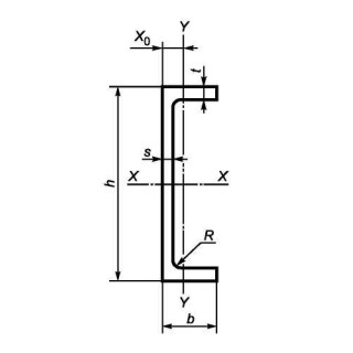
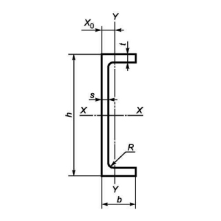
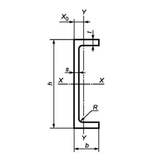
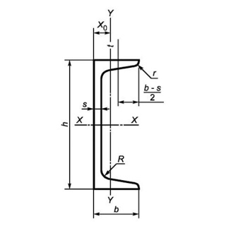
Технічні характеристики
Категорія нормованих показників
Група якості оброблення поверхні
Покриття
Відповідність вимогам стандарту
Вид
Марка сталі
Довжина
Група/клас міцності
Знайдено: 1666

Швелер UPN 320 S235JR, міра 12м

Швелер UPN 380 S235, міра 6м

Швелер UPE 270 S355J2+M, міра 12м

Швелер UPE 360 S355J2, міра 12м

Швелер UPN 280 S275, міра 6м

Швелер UPN 120 S355JR, міра 6м

Швелер UPN 220 S275JR, міра 12м

Швелер UPE 180 S235, міра 6м

Швелер UPE 220 S355J2+AR, міра 6м

Швелер UPE 330 S275, міра 6м

Швелер UPN 65 S235J0, міра 12м
