44330000-2 Будівельні прути, стрижні, дроти та профілі
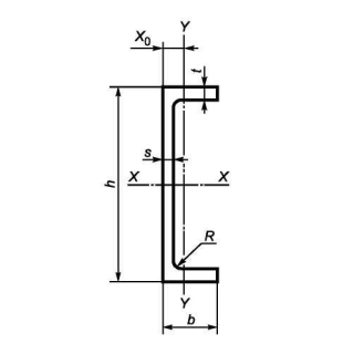
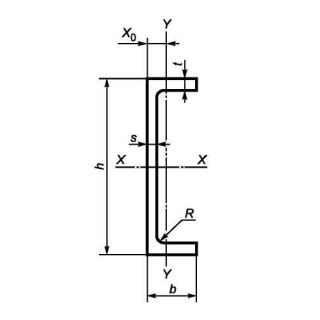
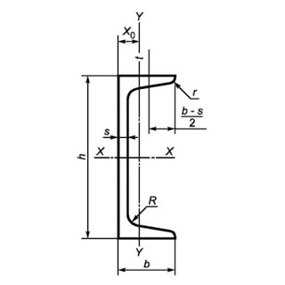
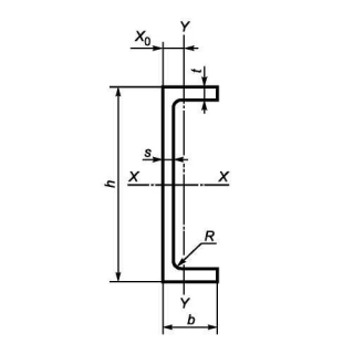
Назва категорії: Швелер, одиниця виміру тоннаВідноситься до відбору: Будівельні прути, стрижні, дроти та профілі
Опис категорії: Швелер, одиниця виміру тонна
Одиниці виміру: тонна
Технічні характеристики
Категорія нормованих показників
Група якості оброблення поверхні
Покриття
Відповідність вимогам стандарту
Вид
Марка сталі
Довжина
Група/клас міцності
Знайдено: 1666

Швелер UPE 300 S355j2, міра 12м

Швелер UPN 120 S235J2+M, міра 6м

Швелер UPN 240 S355J2, міра 6м

Швелер UPE 240 S355, міра 6м

Швелер UPN 280 S235J2+N, міра 6м

Швелер UPN 160 S275JR, міра 12м

Швелер гнутий 160х60х6 08КП/ПС, міра 6м

Швелер UPN 180 S355J2+M, міра 12м

Швелер UPN 320 S235JR, міра 6м

Швелер UPE 300 S235, міра 6м

Швелер 36У 3ПС/СП, міра 12м
