44330000-2 Будівельні прути, стрижні, дроти та профілі
Назва категорії: Швелер, одиниця виміру тоннаВідноситься до відбору: Будівельні прути, стрижні, дроти та профілі
Опис категорії: Швелер, одиниця виміру тонна
Одиниці виміру: тонна
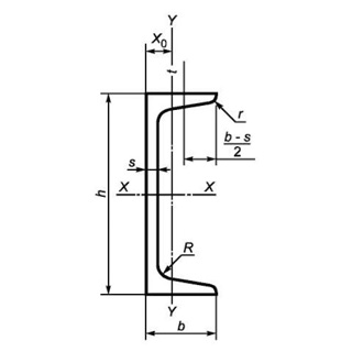
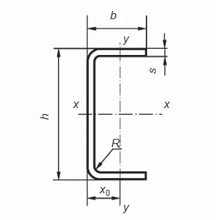
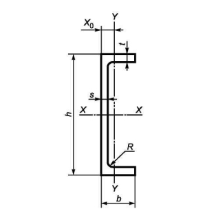
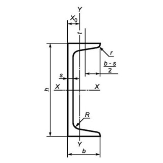
Технічні характеристики
Категорія нормованих показників
Група якості оброблення поверхні
Покриття
Відповідність вимогам стандарту
Вид
Марка сталі
Довжина
Група/клас міцності
Знайдено: 1666

Швелер 14У сталь 345 09Г2С 14 міра 12м

Швелер гнутий 160х80х5 09Г2С, міра 6м

Швелер UPN 120 S355, міра 12м

Швелер UPE 100 S275J2, міра 12м

Швелер 36П 09Г2С, міра 12м

Швелер UPN 80 S355, міра 6м

Швелер UPE 180 S355J2+N, міра 6м

Швелер UPE 200 S275, міра 6м

Швелер UPN 180 S275J2+AR, міра 12м

Швелер гнутий 100х40х3 08КП/ПС, міра 6м

Швелер UPN 320 S235J2, міра 12м
