44330000-2 Будівельні прути, стрижні, дроти та профілі
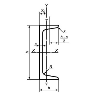
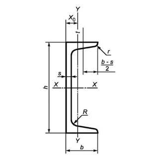
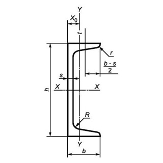
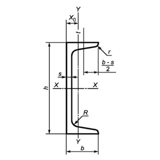
Назва категорії: Швелер, одиниця виміру тоннаВідноситься до відбору: Будівельні прути, стрижні, дроти та профілі
Опис категорії: Швелер, одиниця виміру тонна
Одиниці виміру: тонна
Технічні характеристики
Категорія нормованих показників
Група якості оброблення поверхні
Покриття
Відповідність вимогам стандарту
Вид
Марка сталі
Довжина
Група/клас міцності
Знайдено: 1666

Швелер UPN 80 S275, міра 6м

Швелер UPE 100 S275J2+AR, міра 6м

Швелер UPE 180 S235, міра 12м

Швелер 30П 09Г2С, міра 12м

Швелер UPN 400 S235, міра 12м

Швелер UPN 300 S355, міра 6м

Швелер UPN 100 S355J2, міра 12м

Швелер UPN 260 S275J2+AR, міра 6м

Швелер UPN 100 S235J2+N, міра 12м

Швелер UPE 100 S275J2+AR, міра 12м

Швелер UPN 400 S355J0, міра 12м
