44330000-2 Будівельні прути, стрижні, дроти та профілі
Назва категорії: Швелер, одиниця виміру тоннаВідноситься до відбору: Будівельні прути, стрижні, дроти та профілі
Опис категорії: Швелер, одиниця виміру тонна
Одиниці виміру: тонна
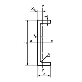
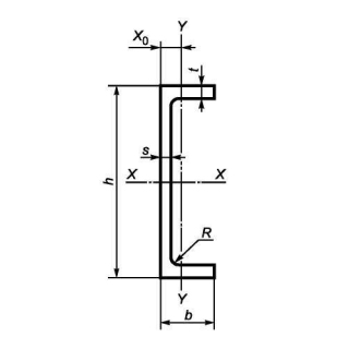
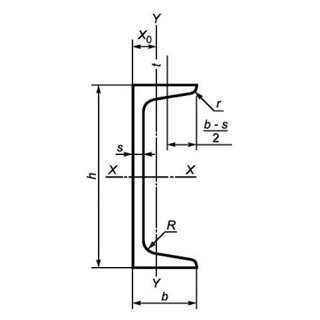
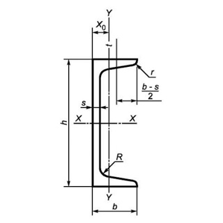
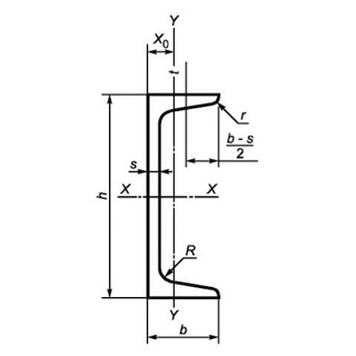
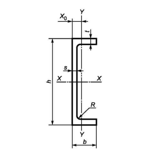
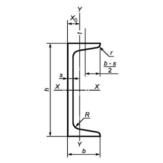
Технічні характеристики
Категорія нормованих показників
Група якості оброблення поверхні
Покриття
Відповідність вимогам стандарту
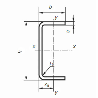
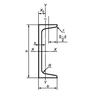
Вид
Марка сталі
Довжина
Група/клас міцності
Знайдено: 1666

Швелер UPE 330 S355JR, міра 12м

Швелер UPE 400 S235J2, міра 6м

Швелер UPN 100 S355j2, міра 6м

Швелер UPE 220 S355J0, міра 6м

Швелер UPN 200 S275, міра 6м

Швелер гнутий 100х60х3 08КП/ПС, міра 6м

Швелер UPN 350 S275, міра 12м

Швелер UPN 240 S235JR, міра 12м

Швелер UPN 300 S355J2+N, міра 6м

Швелер UPN 280 S355J0, міра 12м

Швелер UPE 100 S355j2, міра 12м
