44330000-2 Будівельні прути, стрижні, дроти та профілі
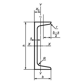
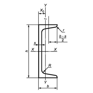
Назва категорії: Швелер, одиниця виміру тоннаВідноситься до відбору: Будівельні прути, стрижні, дроти та профілі
Опис категорії: Швелер, одиниця виміру тонна
Одиниці виміру: тонна
Технічні характеристики
Категорія нормованих показників
Група якості оброблення поверхні
Покриття
Відповідність вимогам стандарту
Вид
Марка сталі
Довжина
Група/клас міцності
Знайдено: 1666

Швелер гнутий 160х60х4 09Г2С, міра 6м

Швелер UPN 65 S235J2+N, міра 6м

Швелер UPN 320 S275J2, міра 12м

Швелер UPN 280 S275JR, міра 12м

Швелер UPN 240 S275JR, міра 6м

Швелер UPN 120 S275, міра 6м

Швелер гнутий 160х60х6 3ПС/СП, міра 6м

Швелер UPN 50 S275JR, міра 6м

Швелер UPN 240 S275J2+M, міра 6м

Швелер UPE 80 S275J2+AR, міра 6м

Швелер 16П 09Г2С, міра 12м
