44330000-2 Будівельні прути, стрижні, дроти та профілі
Назва категорії: Швелер, одиниця виміру тоннаВідноситься до відбору: Будівельні прути, стрижні, дроти та профілі
Опис категорії: Швелер, одиниця виміру тонна
Одиниці виміру: тонна
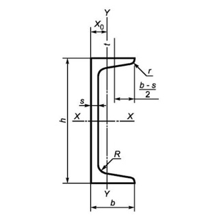
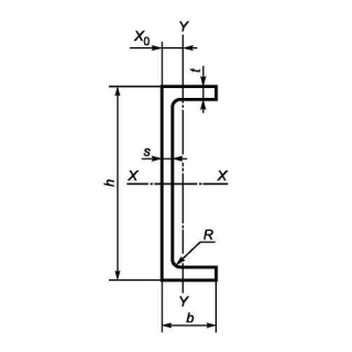
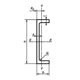
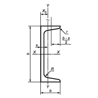
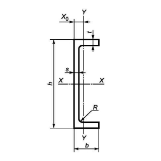
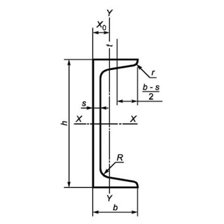
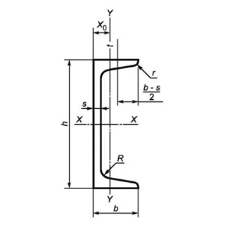
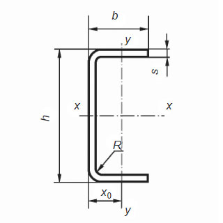
Технічні характеристики
Категорія нормованих показників
Група якості оброблення поверхні
Покриття
Відповідність вимогам стандарту
Вид
Марка сталі
Довжина
Група/клас міцності
Знайдено: 1666

Швелер 10У 09Г2С, міра 12м

Швелер UPE 120 S235JR, міра 6м

Швелер 14П сталь 3ПС/СП, міра 6м

Швелер 20П сталь S275, міра 6м

Швелер UPN 160 S235, міра 12м

Швелер UPE 270 S355J0, міра 6м

Швелер UPN 65 S235J2, міра 6м

Швелер UPN 220 S355J2, міра 12м

Швелер гнутий 100х60х3 09Г2С, міра 6м

Швелер UPN 140 S355J2+N, міра 12м

Швелер UPN 400 S235J2+M, міра 12м
