44330000-2 Будівельні прути, стрижні, дроти та профілі
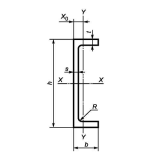
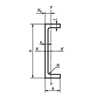
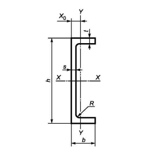
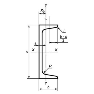
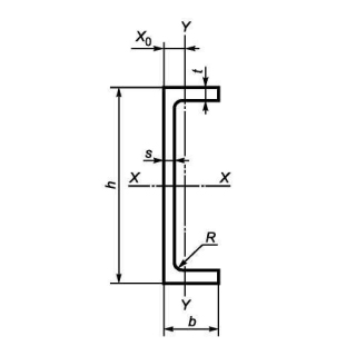
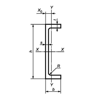
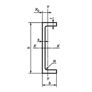
Назва категорії: Швелер, одиниця виміру тоннаВідноситься до відбору: Будівельні прути, стрижні, дроти та профілі
Опис категорії: Швелер, одиниця виміру тонна
Одиниці виміру: тонна
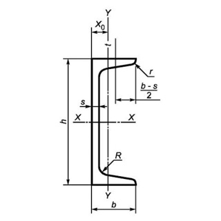
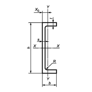
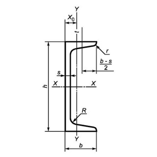
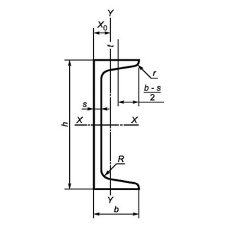
Технічні характеристики
Категорія нормованих показників
Група якості оброблення поверхні
Покриття
Відповідність вимогам стандарту
Вид
Марка сталі
Довжина
Група/клас міцності
Знайдено: 1666

Швелер UPE 100 S235J2+AR, міра 6м

Швелер UPE 80 S355, міра 12м

Швелер UPE 80 S355J2, міра 6м

Швелер UPN 180 S355j2, міра 12м

Швелер UPN 140 S355, міра 12м

Швелер UPE 100 S275J0, міра 6м

Швелер UPN 240 S355J2+N, міра 6м

Швелер UPN 260 S275JR, міра 6м

Швелер UPN 50 S275J2+N, міра 6м

Швелер UPE 180 S235J2+N, міра 6м

Швелер UPE 400 S235J2+AR, міра 12м
