44330000-2 Будівельні прути, стрижні, дроти та профілі
Назва категорії: Швелер, одиниця виміру тоннаВідноситься до відбору: Будівельні прути, стрижні, дроти та профілі
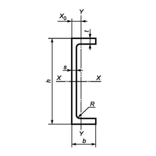
Опис категорії: Швелер, одиниця виміру тонна
Одиниці виміру: тонна
Технічні характеристики
Категорія нормованих показників
Група якості оброблення поверхні
Покриття
Відповідність вимогам стандарту
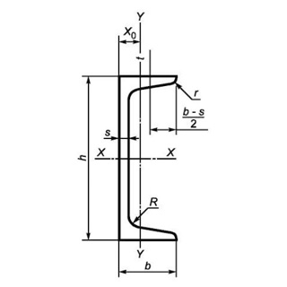
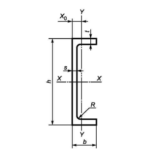
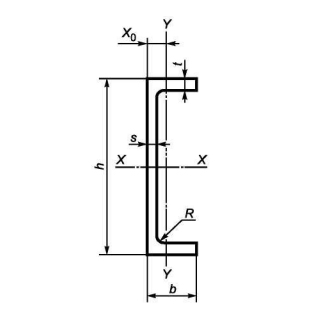
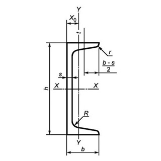
Вид
Марка сталі
Довжина
Група/клас міцності
Знайдено: 1666

Швелер UPN 65 S275, міра 12м

Швелер UPN 300 S235J2+AR, міра 12м

Швелер 10У 3ПС/СП, міра 12м

Швелер UPE 240 S275JR, міра 6м

Швелер UPE 330 S355J2+AR, міра 12м

Швелер UPE 180 S275J2, міра 6м

Швелер UPN 100 S235, міра 12м

Швелер UPN 120 S355J2, міра 6м

Швелер UPN 200 S275, міра 12м

Швелер UPE 300 S235J2, міра 12м

Швелер UPN 65 S355J0, міра 12м
