44330000-2 Будівельні прути, стрижні, дроти та профілі
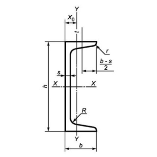
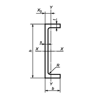
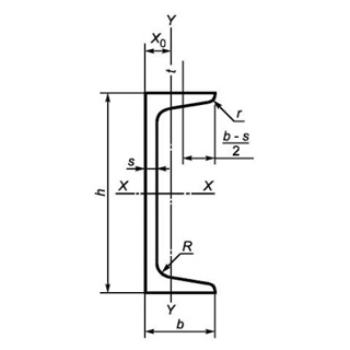
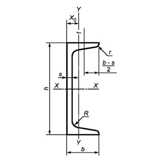
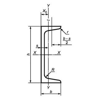
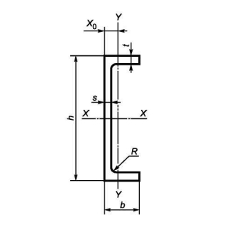
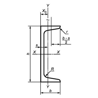
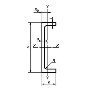
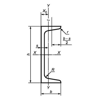
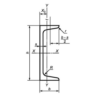
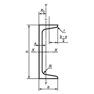
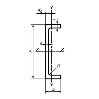
Назва категорії: Швелер, одиниця виміру тоннаВідноситься до відбору: Будівельні прути, стрижні, дроти та профілі
Опис категорії: Швелер, одиниця виміру тонна
Одиниці виміру: тонна
Технічні характеристики
Категорія нормованих показників
Група якості оброблення поверхні
Покриття
Відповідність вимогам стандарту
Вид
Марка сталі
Довжина
Група/клас міцності
Знайдено: 1666

Швелер UPN 50 S235J2+N, міра 12м

Швелер UPE 330 S355j2, міра 6м

Швелер UPN 260 S235J2, міра 6м

Швелер UPN 300 S275J2+N, міра 12м

Швелер UPN 120 S275J2+AR, міра 6м

Швелер UPE 240 S355J0, міра 12м

Швелер UPN 180 S235J0, міра 12м

Швелер UPE 400 S355J2+M, міра 6м

Швелер UPN 350 S275J2, міра 6м

Швелер UPN 120 S275J2+M, міра 6м

Швелер UPN 65 S275J2+AR, міра 12м
