44330000-2 Будівельні прути, стрижні, дроти та профілі
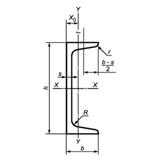
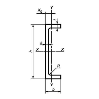
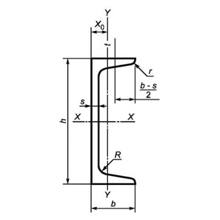
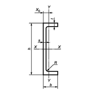
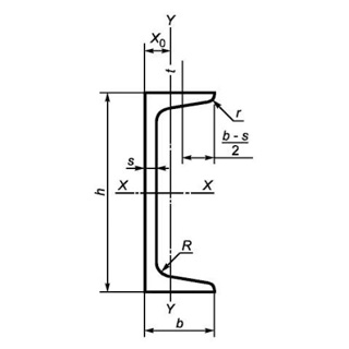
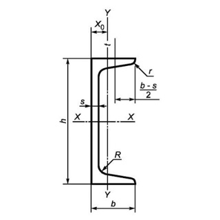
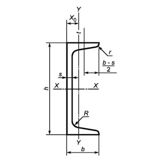
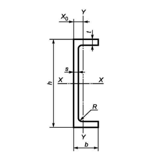
Назва категорії: Швелер, одиниця виміру тоннаВідноситься до відбору: Будівельні прути, стрижні, дроти та профілі
Опис категорії: Швелер, одиниця виміру тонна
Одиниці виміру: тонна
Технічні характеристики
Категорія нормованих показників
Група якості оброблення поверхні
Покриття
Відповідність вимогам стандарту
Вид
Марка сталі
Довжина
Група/клас міцності
Знайдено: 1666

Швелер UPN 280 S235J2+N, міра 12м

Швелер UPE 100 S355, міра 6м

Швелер 12П сталь 3ПС/СП, міра 6м

Швелер UPN 380 S355J2+AR, міра 6м

Швелер UPN 300 S235, міра 12м

Швелер UPE 140 S235J2+AR, міра 6м

Швелер UPN 300 S355j2, міра 12м

Швелер UPE 160 S275, міра 6м

Швелер UPN 120 S235J2+N, міра 12м

Швелер UPN 320 S355J2+M, міра 6м

Швелер UPN 200 S235J2+N, міра 12м
