44330000-2 Будівельні прути, стрижні, дроти та профілі
Назва категорії: Швелер, одиниця виміру тоннаВідноситься до відбору: Будівельні прути, стрижні, дроти та профілі
Опис категорії: Швелер, одиниця виміру тонна
Одиниці виміру: тонна
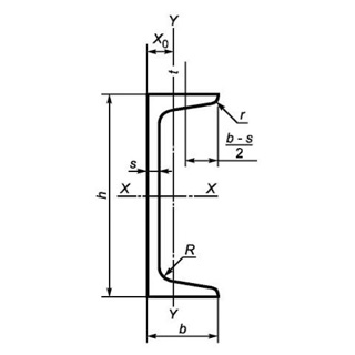
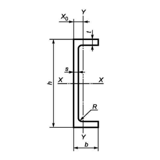
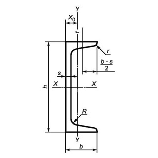
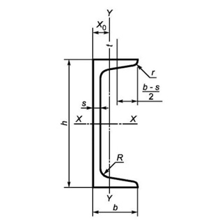
Технічні характеристики
Категорія нормованих показників
Група якості оброблення поверхні
Покриття
Відповідність вимогам стандарту
Вид
Марка сталі
Довжина
Група/клас міцності
Знайдено: 1666

Швелер UPN 280 S235JR, міра 12м

Швелер UPE 100 S235J2+M, міра 12м

Швелер UPE 160 S355, міра 12м

Швелер UPN 65 S275J2+N, міра 6м

Швелер UPN 300 S275J2, міра 6м

Швелер UPE 330 S275JR, міра 6м

Швелер гнутий 200х80х5 3ПС/СП, міра 6м

Швелер UPN 80 S355J2, міра 12м

Швелер UPN 380 S355J2+N, міра 6м

Швелер 14П сталь 3ПС/СП, міра 12м

Швелер UPN 65 S355J2+AR, міра 12м
