44330000-2 Будівельні прути, стрижні, дроти та профілі
Назва категорії: Швелер, одиниця виміру тоннаВідноситься до відбору: Будівельні прути, стрижні, дроти та профілі
Опис категорії: Швелер, одиниця виміру тонна
Одиниці виміру: тонна
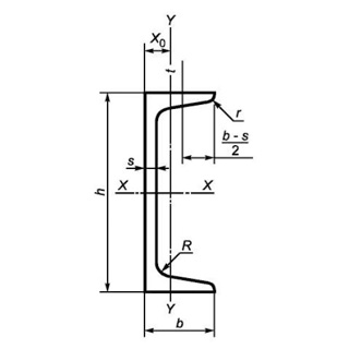
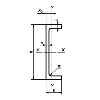
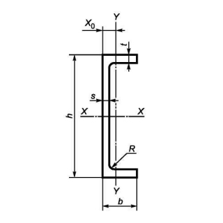
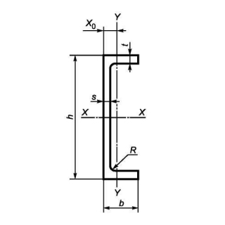
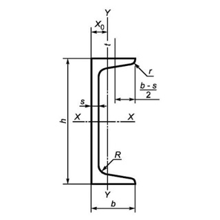
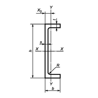
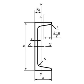
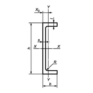
Технічні характеристики
Категорія нормованих показників
Група якості оброблення поверхні
Покриття
Відповідність вимогам стандарту
Вид
Марка сталі
Довжина
Група/клас міцності
Знайдено: 1666

Швелер UPN 50 S355J2, міра 6м

Швелер UPE 180 S235J2+M, міра 12м

Швелер UPE 360 S355j2, міра 12м

Швелер 12П сталь 3ПС/СП, міра 12м

Швелер UPE 300 S275J2+AR, міра 12м

Швелер UPN 80 S235J2+N, міра 6м

Швелер UPE 400 S235, міра 12м

Швелер UPN 320 S355J2+M, міра 12м

Швелер UPE 120 S355, міра 6м

Швелер UPN 240 S235J0, міра 6м

Швелер UPE 270 S275J2+AR, міра 12м
