44330000-2 Будівельні прути, стрижні, дроти та профілі
Назва категорії: Швелер, одиниця виміру тоннаВідноситься до відбору: Будівельні прути, стрижні, дроти та профілі
Опис категорії: Швелер, одиниця виміру тонна
Одиниці виміру: тонна
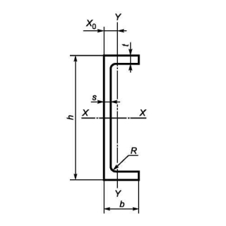
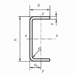
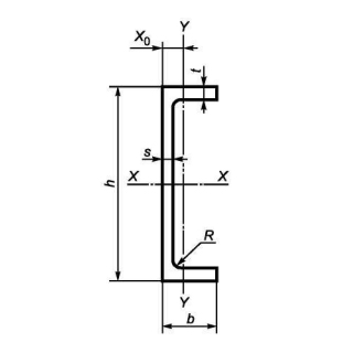
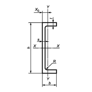
Технічні характеристики
Категорія нормованих показників
Група якості оброблення поверхні
Покриття
Відповідність вимогам стандарту
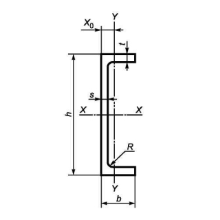
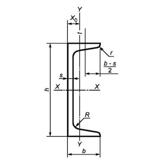
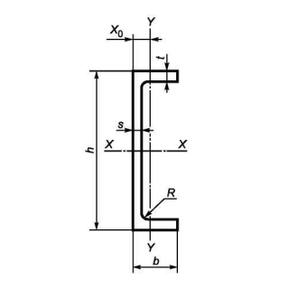
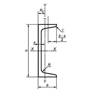
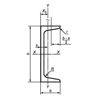
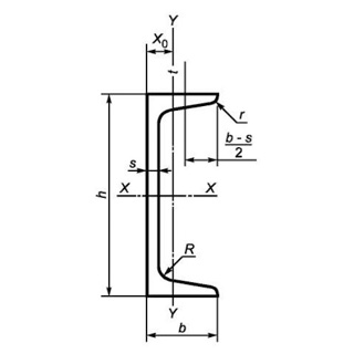
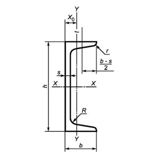
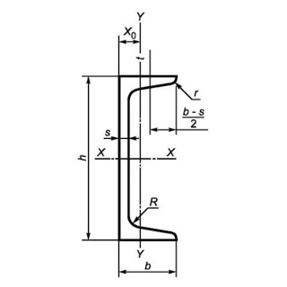
Вид
Марка сталі
Довжина
Група/клас міцності
Знайдено: 1666

Швелер UPE 160 S275J2+M, міра 12м

Швелер UPN 350 S275, міра 6м

Швелер UPE 220 S355JR, міра 12м

Швелер UPN 300 S275J2+AR, міра 6м

Швелер UPE 360 S355JR, міра 12м

Швелер гнутий 120х50х5 3ПС/СП, міра 6м

Швелер UPE 360 S235JR, міра 12м

Швелер UPE 140 S275J2+M, міра 6м

Швелер UPN 160 S275J0, міра 12м

Швелер UPN 380 S275J2+AR, міра 12м

Швелер UPN 180 S235J2, міра 6м
